销售热线:0576-85123232
技术热线:0576-85232332


销售电话:+86-0576-85123232
技术电话:+86-0576-85232332
传真号码:+86-0576-851822323
联系邮箱:xiangcaoyou@cn-hydraulic.com
公司地址:浙江省临海市江南街道金岭路199号
产品特点
六通多路阀;
紧凑的片式结构,可针对不同系统的需要组合相应的控制阀组;
控制方式:手控、液控、气控;
回路形式:并联回路、串并联回路、串联回路;
内泄漏小,压力损失小;
通过一次、二次溢流阀保护系统。
应用领域
应用于叉车、挖掘机、农业机械、小型装载机、钻机、物流搬运机械、矿山机械等其它工程机械。
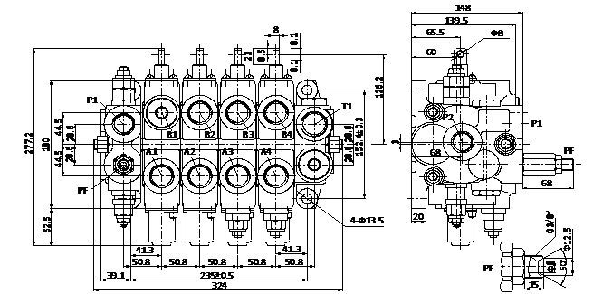
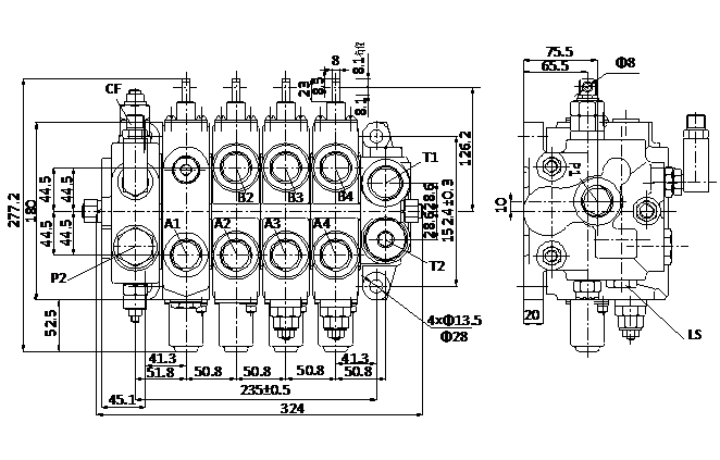
技术参数(对超出下述参数的应用场合,请与我公司联系)
概述 | |
油口连接方式 | 螺栓连接 |
控制方式 | 六通回路/压力控制 |
安装方式 | 见典型外形图 |
油口连接方式 | 螺纹 |
通径 mm | 20 |
阀杆行程 mm | 8.1(三位) |
7/7/6(四位) | |
液压 | |
额定压力bar | 中压型L ≤250 |
高压型H ≤300 | |
允许违禁词回油背压bar | ≤15 |
先导控制压力bar | ≤35 |
先导控制曲线bar | 6~19(三位) |
6~25(四位) | |
液压油温度范围℃ | -20~+100 |
粘度范围m2/s | 10~460 |
油液允许的污染等级 | -/19/16 (ISO4406:1999) |
机械 | |
重量 | |
进油联 kg | 4.5 |
换向联(标准液控联) kg | 6.3 |
出油联 kg | 3.9 |
阀芯复位力(无定位装置)N | ≤250 |
阀芯允许的违禁词操作力 | |
轴向力N | ≤1000 |
径向力N | ≤20 |
特性曲线


换向联
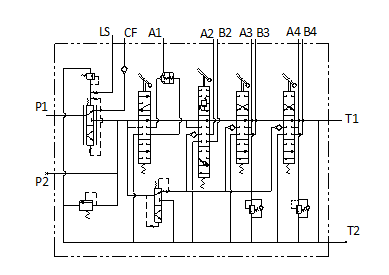
常用原理图型号示例:


CDB-F20系列典型外形图及其液压原理图



应用说明
CDB-F20系列多路阀为比较典型20通径多路阀。 该阀进油联稳定分流一部分流量,供应转向系统使用;倾斜联带前倾自锁功能,当车辆熄火后误操作前倾手柄门架也不会前倾,提高了作业安全度。该系列多路阀整体结构紧凑,广泛应用于4-10T叉车、小型叉装机等各种工程车辆。
CDB3-F20系列典型外形图及其液压原理图



应用说明
目前国内的叉车液压系统,只要发动机开始工作提供泵来油,就能操作手柄来控制叉车门架的各种动作,当操作者暂时离开忘记熄火时,操作手柄门架仍能实现下降和前后倾功能,存在安全隐患。
CDB3-F20系列多路阀通过在升降阀片设置电磁阀来控制叉车门架的下降;在回油联设置电磁阀来控制整个工作油路的供油状态,实现操作者存在感知功能,消除安全隐患。并且该多路阀进油片可集成优先阀,优先对转向器进行供油,转向不工作时油液全部去工作系统,能有效的降低能耗。该系列多路阀应用于4.5-10T叉车、小型叉装机等工程车辆。
CDB5-F20系列典型外形图及其液压原理图



应用说明
目前国内6~10T叉车多路阀基本采用定量开式双泵合流多路阀,这种多路阀的流量设计按照叉车门架起升所需的流量设计,而当门架倾斜、侧移或调距时,实际所需的流量仅为起升流量的30%~45%,但门架倾斜和侧移有速度要求(国标规定了门架倾斜到底时间),为满足速度要求一般都会在多路阀或油缸上设有节流,从而造成在使用过程中多余的流量从溢流阀高压溢流,溢流产生大量的热量使整车油温迅速提高,造成发动机功率的极大浪费。
CDB5-F20系列多路阀是一种在不改变原有液压系统的基础上开发出来的新型多路阀,它集优先、下降锁止、双泵合流起升(降油温)等多种功能于一体。在起升工作时,两个泵的油液通过起升阀片内相互独立的油道合流到起升油缸内,在倾斜和侧移工作时,设定一定的油液去工作系统,多余的油液通过内部集成的分流阀直接回到油箱,这样既保证了叉车的动作,又降低发动机的能耗和整车的温度,并且该阀可以通过更换阀片来实现转向优先,下降锁止等各种功能。
WJ20系列典型外形图及其液压原理图 

应用说明
该系列阀是用小型挖掘机或两头忙挖掘端上,采用并联结构,分别控制左支腿、斗杆、动臂、铲斗、回转、右支腿、辅助动作。设有主溢流阀和二次溢流阀,保护系统和油缸。
